返回首页
联系我们
账户
密码
登陆
注册
欢迎您:
[
会员专区
] [
我要发稿
] [
退出登入
]
协会
协会动态
关于协会
入会申请
新闻
公交教育集团
当前您的位置:
首页
-
新闻
-
国内
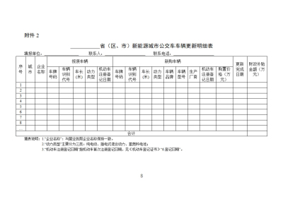
交通运输部 财政部关于印发《新能源城市公交车及动力电池更新补贴实施细则》的通知
广东城市公交网
http://www.gdcsgj.com
发布时间:2024-08-01 11:11:14.823 阅读:1257次
来源:交通运输部
主办:广东省城市公共交通协会 联系电话:(020)37637909 转8003 传真:(020)37620407
备案编号:
粤ICP备15001310号
粤公网安备 44010402002419号
技术支持
网站声明
Copyright 2013 GDCSGJ. All copyright are saved. 版权所有 仿制必究